噴水滅火系統是按適當的間距和高度設置一定數量的噴頭的固定滅火系統,主要由噴頭、閥門、報警控制裝置和管道、附件等組成。該系統通常安裝在建(構)筑物和工業設備上,發生火災時能自動噴水、冷卻、滅火,并發出火災警報,具有工作性能穩定、滅火效率高、維護簡便和使用期長等優點,是撲救初期火災的重要滅火設施。
系統的主要類型
噴水滅火系統有開式與閉式之分。其中閉式包括濕式噴水滅火系統,干式噴水滅火系統,干濕式噴水滅火系統,預作用噴水滅火系統,循環式噴水滅火系統;開式包括雨淋系統,水幕系統,水噴霧系統。
雨淋滅火系統
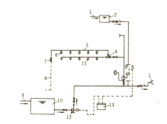
雨淋滅火系統是由火災探測系統、開式噴頭、傳動裝置、噴水管網、雨淋閥等組成。發生火災時,系統管道內給水是通過火災探測系統控制雨淋閥來實現的,并設有手動開啟閥門裝置。如圖1所示。

圖1 雨淋噴水滅火系統示意圖
1—水泵接合器;2—高位水箱;3—進水管;4—雨淋閥;5—傳動管;6—閉式噴頭;7—手動閥;8—排水管;9—進水和;10—水池;11—開式噴頭;12—消防泵,13—控制箱
特點及適用范圍
雨淋噴水滅火系統采用開式噴頭。只要雨淋閥啟動后,就可以它的保護區內迅速地、大面積地噴水滅火,因此降溫和滅火效果均十分顯著;但其自動控制部分需有很高的可靠性,不允許誤動作或不動作。
在企業工藝裝置區內,距地面40m以上,受熱后可能產生爆炸的設備,當機動消防設備不能對其進行保護時,可設置固定式、半固定水噴淋冷卻系統。在以下區域也適宜設置雨淋冷卻滅火系統;液化石油氣儲配站的灌瓶間、實瓶間,乙炔站的灌裝氣瓶間以及泡沫塑料的預發、成型、切片、壓花部位等。
工作原理
發生火災時,探測器啟動,并向控制箱發出報警信號。報警箱接到信號后,經過確認,發出指令,打開雨淋閥,使整個保護區內的開式噴頭噴水冷卻或滅火;同時,壓力開關和水力警鈴以聲光警報作反饋指示。雨淋噴水滅火系統工作原理示意圖如圖2所示。

圖2雨淋噴水滅火系統工作原理示意圖
紡織企業春季防火安全注意事項
重點單位消防站基本配備標準
跟小編一起查辦公室安全隱患
消防重點單位臺賬
火災預防措施分析
施工現場消防安全管理要求
油庫安全生產標準化現場管理
防火防爆安全注意事項
消防安全管理臺賬
滅火器的型號及規格
動火作業的分類
安全疏散通道的要求和設施
滅火器的種類和用途
施工現場消防安全管理制度
消防安全管理措施
滅火的四種基本方法