礦井主排水系統是煤礦大型設備的一個重要組成部。主排水系統如果不能正常運行,會危及整個礦井的安全生產,甚至造成重、特大財產損失事故。雞西礦業(集團)有限責任公司現有的23個主排水系統沒有高低水位監視報警,水泵吸空報警裝置,只靠運轉員巡視。如要在水位非常情況下,吸水管底閥堵塞,沒能及時發現,就會造成淹泵,甚至淹井事故,集團公司有的礦井以前曾發生過類似事故。鑒于這種情況,我們研制了主排水泵監測裝置。
1 工作原理
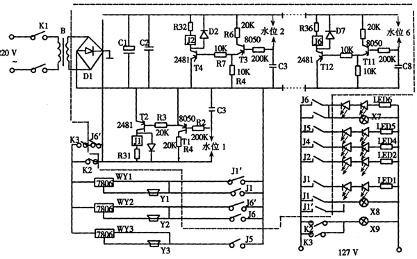
監測裝置主要是通過水位和吸空兩塊插件板來實現的。
1.1水倉水位顯示及報警工作原理。
如圖1所示。在圖1中,虛線所圈部分為6段水位板插件電路,其中J1-J6是6段水位動作執行繼電器,分別由T1~T12組成的6套(圖中只畫出3套)兩級晶體管放大電路來驅動,這6套放大電路中J1為有水釋放型。J2~J6為有水閉合型。

圖1 水倉水位顯示及報警電路
J1為第一段水位顯示繼電器,當水位1處有水時,水的電阻值一般在100K~1MΩ之間,流經R2的基極電流為0.02mA左右。三極管T1放大,流經R1的電流為1.5mA,此時T1導通,T2截止,J1處于釋放狀態,J1的常閉點閉合,LED1發光。當水位1處沒有水時,T1截止,T2導通J1吸合,J1常開點閉合,語言報警Y1發聲,同時X8發紅光,指示低警戒線水位,因為水位1處常有水。所以采用J1為有水釋放狀態。
J2為第二段水位指示繼電器,當水位2有水時,T3基極電流為0.02mA左右,T4基極電流為0.5mA,T4導通,J2有電吸合,LED2發光,指示水位2。
J3、J4、J5、J6級工作原理與J2工作原理相同,放大電路元件參數也基本相同,三極管T1~T12的放大倍數β值要求大于100即可。
R31、R32~R36為繼電器降壓電阻,數值為120Ω~390Ω,D1為電源整流橋,D2~D7為續流三級管,對于有多個繼電器并聯和小型繼電器大功率三極管的情況,可以不用C3~C8抗干擾電容,也可直接并接在第一級放大三級管的be結上。J6為高警戒水位繼電器,當J6吸合時,J6常開點閉合LED6發光,指示第6段水位,Y2發聲,高警戒水位語音報警。
由于有的主排水系統有甲乙兩個不連通的水倉,所以每套水位保護有兩個水位插件,分別指示甲乙兩個水倉的水位。圖1中的J6ˊ和J1ˊ就是乙水倉水位插件的高低水位繼電器接點,以便兩個水位插件共用高低水位聲光信號Y2、Y1、X7、X8報警系統。
圖1中的K1為電源開關,B為220V/36V、15W變壓器,K2是一個雙刀雙擲語音暫停開關,當甲水倉發生高警戒水位報警時,有時為了調負躲峰的需要,并不馬上開泵排水,而是先撥動扭子開關K2,關掉甲水倉高警戒水位語音報警,開始往乙水倉放水。當乙水倉達到高警戒水位時,J6ˊ閉合,Y2能再次發出高警戒水位語音報警,這時需開泵排水,待兩個水倉水位下降,J6ˊ釋放后,方可回復語音暫停開關,當語音暫停開關K2或K3被關掉后,語音暫停報警燈X9發光,提示水泵司機在語音報警消除后,閉合K2恢復語音報警功能。WY1、WY2、WY3為語音報警器78系列三端穩壓電源塊,由于78系列三端穩壓塊的輸入電壓只允許比輸出電壓高一倍,所以要從直流30伏穩壓到直流6伏,需要三只三端穩壓塊串聯,即7824、7812、7806串聯,78系列三端穩壓塊的中間腳為輸入輸出公共端,這里只畫出7806以示語音報警系統工作電壓。
整流橋D1的輸出電壓為直流30V,正極與地相連,地可以與主排水泵房的接地系統聯在一起,這樣做有兩個好處,一個好處是6段水位電極導線放入要監視的倉即可,省去了一根最易受井下水腐蝕的總電極的入水,減少了水位電極的維修量;另一個好處是為整臺監測裝置外殼提供了接地極。6個水位電極可以用6根1.0mm2的塑皮控制線,做成不等長的電極,為防止對電極的腐蝕,可以在每個電極的前端焊上一個碳刷,再用1:1膠把電極裸露的銅線及焊接點封好即可。也可以用冷補劑或環氧樹脂膠把7芯電纜及7個碳刷全部灌封在一根Φ15mm的塑料管內做入水電極,這樣更便于電極的安裝及清理。
1.2水泵運行顯示及吸空報警工作原理
如圖2所示。在圖2中,虛線所圈部分為吸空板電路,吸空板與水位板共用一套30V直流電源,由三管T1~T10組成,5臺水泵吸空電充檢測電路,由三極管T11~T15組成水泵運行顯示電路,LH1~LH5為水泵起動柜電流檢測電流互感器。
電流互感器是YWH1-20A/10mA型電流互感器,安裝在水泵起動柜電流表上,與電流表串聯,當1#泵起動后,LH1能感應出電流,如果水泵額定電流為100A,起動柜電互感器為100A/5A,則流過電流表的額定的電流為5A,經過LH1互感,在LH1的二次感應出2.5mA的電流,經過D1整流,C1濾波,R1,W1、R11分壓,可在(10)和(16)兩端產生10V的電壓,這個電壓一方面使T11導通,J1有電吸合,X2發光指示,1#泵運行,另一方面通過調整W1可使T1導通,使通過J1常開點和R3的電流流過T1而不流過R4,這樣使T6關斷,吸空繼電器JK不吸合,當發生吸水籠頭被堵或者水倉被抽空等故障時,使起動柜電流且電流下降30%達到70A時,(10)和(16)之間的電壓下降到7V,電位器W1處得到的分壓也降低,LED1截止T1隨之截止,電流經過J1的常開接點,經過R3、R4使T6有基極電流而導通,JK有電吸合,發出吸空報警紅燈信號。
圖2中的5套吸空電路是相同的,這5套吸空電路的輸入與輸出之間組成了與非門電路的關系,即:不論有幾臺泵運行,只要有一臺泵電流下降出現吸空就使JK動作,發出聲光報警。

圖2 水泵吸空報警及運行顯示電路
本吸空保護電路在流過起動柜電流表的電流為0.5~10A時均能正常工作,安裝調試時,可以先把語音報警關掉,以免語音響后直流電壓波動影響調試,再把電位器W1~W5調整到最下端,使1#泵開時運行燈X2和吸空報警燈X1都亮,再逐漸把電位器向上調,直到發光二極管LED1微微發光,此時T1導通,T6截止,JK釋放,吸空報警燈X1熄滅,這樣當水泵出現吸空,電流下降時,T1就會截止,吸空繼電器JK有電吸合,起到吸空報警作用。
2 主要功能
(1)監測裝置,能同時指示主副兩個水倉的水倉,每個水倉的水位都分成六段顯示。
(2)監測裝置最多可同時顯示5臺水泵的運行狀態。
(3)具有高水位和低水位語音報警功能,六段水位顯示紅燈全亮時高水位語音報警,全滅時為低水位語音報警。
(4)當水泵吸空語音報警時,無論是哪臺水泵因不上水而空轉運行,都有吸空語音報警。
(5)可以人為的控制語音暫停,紅燈顯示。
3 結束語
本監測裝置制作成本低,使用、安裝、維護、方便,故障率小。我公司12個礦,16對生產井,23個主排水系統,75臺水泵,自2003年8月安裝投入后,經半年的運行,各個水倉水位顯示準確,沒有誤報現象,運行安全可靠。
回采工作面初次放頂技術安全措施
回采工作面瓦斯抽采安全技術措施
煤礦主斜井設備安裝安全技術措施
煤礦安全隱患排查治理行動方案
管路維護工崗位作業書
煤礦二礦一期工程B1標段主平硐K0+678…
1#主井塔內起重機安裝安全技術措施
煤礦(擴能)開發利用方案
習慣性違章作業產生的原因、危害分析…
露天礦開采工藝
安全風險管控措施
礦井停產檢修安全技術措施
非煤礦山常見事故原因分析及防范措施
煤礦井下運輸安全技術措施
探放水設計及安全技術措施
冬季“三防”安全措施