武漢鋼電股份有限公司2臺200 MW機組是東方電機廠生產的QFSN-200-2型水氫氫汽輪發電機,7回110 kV聯絡線分別與武鋼變、冶金變、軋鋼變三變電站相連,與220 kV系統聯系緊密,系統無功功率儲備充足。為考核機組的進相運行能力以及對系統電壓的調節能力, 對發電機組進行了進相運行試驗,并根據試驗結果給出了發電機進相運行時,110 kV母線電壓的調壓率為0.21~0.5 kV/10 Mvar,220 kV系統的調壓率為0.1~0.254 kV/10 Mvar。
1 故障簡況
2001-09-27,武漢鋼電股份有限公司1號機備用,2號機在手動勵磁運行方式下發生失磁故障,失磁保護動作切換廠用電,鍋爐MFT動作跳機。
故障發生前,2號機滿載運行,發電機有功200 MW,無功20 Mvar,機端電壓15.29 kV。05∶02∶00,2號集控室發出“失磁”信號,6 kV快切裝置“021切換”、“022切換”,隨即鍋爐MFT動作,機組跳閘。
2 故障分析
2.1 發電機運行中出現低勵失磁故障的分析
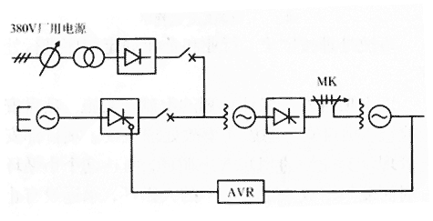
發電機勵磁系統接線如圖1,因副勵磁機燒瓦,勵磁系統暫運行于手動方式,這就需要運行人員根據有功變化及時調整無功,使發電機運行在穩定狀態。發電機低勵失磁過程中各參數變化見表1。
見表
從表1可看出,失磁前發電機有功198.65 MW,而無功只有16.29 Mvar,此時機組運行于靜態穩定曲線上部,靜穩裕度較小,且發電機端電壓、6 kV廠用電壓均較低。當機組受到外界小的擾動,負荷由198.65 MW逐漸升至205.04 MW時,由于運行人員沒能及時增加勵磁,發電機的功角 將逐漸增大,使發電機無功逐漸降低,機端電壓和廠用電源電壓也隨即下降,而手動勵磁電源取自380 V廠用電,在手動勵磁不作調整的情況下,就使得發電機轉子電壓和電流相應下降,從而使發電機無功和電壓進一步下降,進而又造成轉子電壓、電流下降,如此反復,最終導致發電機失磁。因發電機失磁前帶滿負荷,則進入異步運行后,其等效電抗降低較多,發電機從系統吸收的無功功率也較多,無功進相最大達-150 Mvar。

圖1 勵磁系統接線
2.2 發電機失磁保護動作分析
武漢鋼電股份有限公司發電機失磁保護由靜態極限機端阻抗ZK-1、轉子低電壓ZY-1、系統母線低電壓DY-1三部分組成,阻抗整定為32 劍魈匭越欽ㄎ?5。,轉子低電壓作為系統故障或系統振蕩時的閉鎖元件,整定為100 V,系統母線低電壓整定為80% Un,該保護邏輯框圖如圖2所示。

圖2 發電機失磁保護邏輯
解列動作于跳發電機出口開關;程序跳閘動作于主汽門關閉9 s后, 跳發電機主開關、滅磁開關、6 kV各分支開關。
從表1數據可知,發電機由低勵失磁運行逐步進入失步運行階段,無功進相最大達150 Mvar,此時機端測量阻抗由正常位于第一象限過渡到第四象限,并進入異步運行阻抗園內,在轉子低電壓低于100 V時, 失磁保護t1 延時0.5 s動作出口,發“失磁”信號并切換廠用電。整個發電機失磁過程中,造成系統無功缺損近170 Mvar,按機組進相試驗所提供的調壓率0.21~0.5 kV/10 Mvar(即發電機每少發無功10 Mvar,110 kV母線電壓下降0.21~0.5 kV),則110 kV母線電壓下降約3.57~8.5 kV,且考慮系統中其它機組的作用,110 kV系統電壓并不會下降到其額定值的80%,網控的數據錄波也顯示,發電機失步時,110 kV系統電壓仍高于80% Un,故失磁保護的系統低電壓條件未滿足,失磁保護t2不出口跳機。
2.3 鍋爐MFT動作分析
當爐膛壓力大幅波動(±1 500 Pa)或主燃料喪失(給粉機全跳)時,都會引起鍋爐MFT動作。MFT動作后,延時9 s聯跳發電機出口開關及滅磁開關。
武漢鋼電股份有限公司于1999年對給粉機進行了變頻器改造,其變頻調速器為三菱電機株式會社生產的FR-E500型變頻器。給粉機原控制回路仍保留,即仍由同操器送出信號給控制器,再由控制器輸出4~20 mA的直流信號給變頻器控制給粉機轉速。FR-E 500型變頻器的工作電壓為325~528 V, 即變頻器在工作電壓為0.8~1.3 Un時正常工作,若超出此范圍時,變頻器將停止工作,使給粉機跳閘造成主燃料喪失,MFT動作。廠用電壓過低或瞬時停電時,變頻器自保持時間設定為1 s,當電源電壓低于變頻器最低工作電壓或消失超過1 s時,變頻器無輸出,給粉機跳閘。
從表1可知,發電機從開始進相到失磁保護動作,整個過程33 s,在此過程中,6 kV母線電壓大幅下降,直至低于額定值的80%(5.04 kV),若不考慮變壓器的壓降,則380 V母線電壓也降低至額定值的80%(320 V)以下,且失磁保護動作切換廠用電時,又產生瞬時失壓(廠用電切換時間約120 ms),最終造成變頻器停止工作,使給粉機全跳,鍋爐MFT動作跳機。
由上面分析可知,發電機低勵失磁后,失磁保護僅動作于“失磁”信號并切換廠用電,因廠用電降得過低且維持時間較長,造成給粉機變頻器停止輸出,給粉機跳閘使鍋爐MFT動作跳機。
3 建議和措施
3.1 加強運行人員的技術和工作責任心培訓
發電機手動勵磁方式只是在自動勵磁調節器故障或副勵機不具備投入運行的情況下,臨時滿足發電的需要。機組手動勵磁運行時,運行人員應有高度的工作責任心,集中精力監盤,并能根據負荷的變化,及時調整勵磁, 使發電機有功和無功的比值小于3,同時應抓緊搶修,盡快恢復自動勵磁運行。
3.2 失磁保護重新整定
當發電機失磁造成靜態穩定破壞進入異步運行后,從系統吸收大量無功,此時系統電壓仍未降到低電壓整定值,失磁保護不能動作將機組從系統解列,這將使鄰近機組過載,系統穩定受到威脅,同時6 kV母線電壓急劇下降,嚴重威脅廠用輔機的安全運行; 還會使定子過流,定子電樞繞組溫度上升,定子端部發熱及轉子發熱,對機組自身安全造成很大威脅。故應根據現場實際,進行合理計算,適當整定,使發電機失磁時,保護能及時將機組從系統解列,確保系統穩定及機組自身安全。
3.3 改變變頻器工作電源
由于給粉機變頻器工作電源接于380 V廠用電,當廠用電電壓異常降低或消失(如切換緩慢)時,將會影響變頻器正常工作,從而導致給粉機跳閘使MFT動作,為此,可將變頻器工作電源接至廠用UPS,這樣變頻器工作就不會受廠用電壓的影響了。
[1]
民用住宅建筑的配電方式和安全措施
電纜橋架積灰清理
機修、電氣防護
電氣保護、儀表專業危險點控制措施
熱控危險點分析及控制措施
無線電通信設備的防雷措施
發電企業安全生產標準化達標評級隱患…
臨時用電作業風險分析及安全措施表
車間安全生產注意事項
配電箱安裝及使用安全要求
保證電力施工現場作業安全的組織措施…
怎樣進行線損分析
防臺防汛安全措施
焊接立焊時的操作方法
跌落式熔斷器的正確操作方法
用電設施接地安全技術規范